Az előző részben az "e" és "d" típusú védelmi módról esett szó, a mostani téma a gyújtószikramentes védelmi mód lesz, amellyel részletesen az MSZ EN 60079-11 szabványból ismerkedhetünk meg.
A gyszm. védelmi mód jele: " ia " vagy " ib "
Hogyan működik?
A sorozat első részéből tudható, hogy a robbanóképes gázkeverék begyújtását csakis egy bizonyos energiaszint feletti villamos ív (szikra) képes megtenni. Ha tehát a robbanásveszélyes térbe bevezetett áramkörünkben az energia sehol nem tud e határnál nagyobb lenni, hiába dörzsöljük egymáshoz a pozitív és negatív kábelereket, nem keletkezik olyan erős szikra, ami begyújthatná a légkörben levő gázkeveréket.
Energiakorlátozók
Azokat a villamos készülékeket, amelyeket az áramkörünk megtáplálásánál közbeiktatunk annak érdekében, hogy az energiaszintet korlátozzuk, a köznyelv gyújtószikramentes (gyszm.) leválasztónak nevezi. Hogyan lehet ilyet csinálni? Legjobb, ha ilyet egyáltalán nem akarunk csinálni, ugyanis - amellett, hogy szigorú (és drága) vizsgálatokon kell átmenniük - ezek a készülékek viselik az egész rájuk kötött áramkör biztonságának legnagyobb terhét. Vannak erre szakképzett gyártók szép számmal, tessék készterméket vásárolni.
("Adatbázis" rovatunkban számos forrás közül válogathat.) A gyszm. leválasztókat két nagy kategóriába sorolhatjuk:
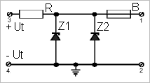
| 1: Zener-gát: Villamos áramkörökben a teljesítményt a P=U*I képlettel számoljuk ki, tehát a szikra teljesítményét is korlátozhatjuk, ha az áramerősséget (I) és a feszültséget (U) kordában tartjuk. Erre való a Zener-gát, aminek elvi rajzát a baloldalon láthatjuk. | ![]() |
A rajz baloldali sorkapcsaira kapcsoljuk a tápláló egyenfeszültséget. Az R ellenállás rögtön az I=U/R értékre korlátozza a körben folyó áramot, a Z1 és Z2 Zener diódák pedig a kiadott feszültséget maximálják. (A Zener diódák olyan alkatrészek, melyek egy bizonyos feszültség felett visszafelé is elkezdenek vezetni.) A kimenő ágban a B biztosíték - ha minden kötél szakad - szintén áramkorlátozó. Látható, hogy a Zener-gát nem táplálja meg az áramkört, ahhoz külön tápegység kell. A Zener-gátra rá van írva, mekkora lehet a tápegység feszültsége.
Sokféle áramkörhöz (ac, dc) sokféle Zener-gát létezik, a kiválasztás is szakértelmet követel.
2: Leválasztó tápegységek: Kisebb jelszámoknál célszerű lehet olyan leválasztók alkalmazása, melyek magukba foglalják a Zener-gátat és a tápegységet is. Ezeket közvetlenül a 230-ra kötve biztonságosan megtáplálják a gyszm. áramkörünket, illetve a nem védett oldalra kiadják ugyanazt az áramerősséget, amit a gyszm. oldalon mérnek. A két oldal gyakran galvanikusan is elválasztott. Ezek az eszközök nagyobb biztonságot kínálnak. (lásd lejjebb)
Energiatárolók
Elsőre azt hihetnénk, a gyszm. leválasztók megoldották a gondunkat, hiszen korlátozzák a beadott teljesítményt. Csakhogy ez kevés a boldogsághoz (akarom mondani biztonsághoz) ! Ha a robbanásveszélyes térben pl. egy jó nagy kondenzátort rákötünk a gyszm-nek hitt érpárunkra, a kondenzátorban - idővel - akkora energiát halmozhatunk fel, amekkorát a kondenzátor tárolni képes. Olyat szikrázik, hogy csak na!
Abban az esetben tehát, ha valami energiatárolásra képes készüléket akarunk gyszm. körben alkalmazni, annak is rendelkeznie kell a gyszm. kivitelt igazoló bizonylattal! Figyelem! nem csak a kondenzátorok, hanem a tekercsek is képesek energiát tárolni! Távadóknál, egyebeknél a bizonylatolás már megszokott, de ne feledkezzünk el a fieldbuszra kötött lezáró RC-tagról se...
Gyújtószikramentes gyártmányok kategóriái
Egyszerű gyártmányok:
Ide tartoznak a passzív komponensek (sorkapocs, doboz, kapcsoló), és az olyan energiatermelő készülékek, melyek 1.5V 100mA alatti teljesítményűek (25 mW). Ilyenek pl. a hőelemek, és bizonyos fényelemek is. Az egyszerű gyártmányoknak is meg kell felelni a fent említett két MSZ minden előírásának, de nem kell nekik bizonylat. Eszerint ha valaki olyan egyszerű készüléket épít be gyszm. körbe, amely nem rendelkezik bizonylattal, maga vállal kötelezettséget arra nézve, hogy a gyártmány mindenben megfelelne egy szabványossági vizsgálatnak! Ha ön biztos a dolgában, tegye be, ha nem, válasszon bizonylatoltan EEx i gyártmányt.
Ex ia kategória: Ezek a legbiztonságosabb eszközök, hiszen akárhány rajtuk kívülálló és kettő bennük keletkező hiba esetén is meg kell tartaniuk a gyújtószikramentességüket. Erre nézzünk egy példát! Tegyük fel, hogy a fenti Zener-gátban rövidzárlatos lesz az R ellenállás, és a B biztosíték gyártási hiba miatt nem olvad ki. Ez két belső hiba. Ebben az esetben ez a készülék a rajta átfolyó áramot már nem korlátozza, a rákapcsolt áramkört nem védi. EEx ia kategóriába nem sorolható.
Ex ib kategória: Azok az eszközök, melyek akárhány rajtuk kívülálló és egyetlen bennük keletkező hiba esetén is megtartják védettségüket. A fenti Zener-gát ennek megfelel - hiszen az ellenállás zárlata esetén a biztosíték kiolvad - tehát ebbe a kategóriába besorolható.
Egy üzem irányítástechnikájának tervezésekor a tervező előírja, milyen kategóriájú gyszm. eszközök használhatóak. Nyilván az ib olcsóbb mint az ia.
Robbanási alcsoportok
A cikksorozat első részében már beszéltünk a robbanási alcsoportokról. Itt újra elő kell ezt venni, hiszen a gyszm. védelmi mód alapvető része. A tervezőnek tudnia kell, mi okozza a robbanásveszélyt, és ennek ismeretében kell a gyszm. gyártmányokra a I, a IIa, IIb vagy IIc alcsoportba tartozást előírni. Ez igen lényeges, hiszen pl. egy IIc alcsoportba tartozó gyszm. leválasztó sokkal kisebb kimenő árammal terhelhető mint egy IIa gyártmány. Egy olyan üzemben, ahol hidrogén okozhat robbanásveszélyt, a IIa vagy IIb bizonylattal rendelkező eszközök használhatatlanok.
Szerkezeti előírások
Az szabvány erre vonatkozóan fontos informáckat tartalmaz. Összefoglalva csak annyit erről, hogy alkalmazott anyagminőségek, kúszóáramutak, szigetelési feszültségek, megbízhatóságok tekintetében szerteágazó követelményeknek kell megfelelni, és sok vitára adhat okot ezek tökéletes betartása / betartatása. Szakértelem és tapasztalat együttesen szükségeltetik a készülékek, körök minősítéséhez.
Gyszm. rendszerek
A fentiek után nyilvánvaló, hogy a nyomásálló tokozással vagy más módokkal ellentétben a gyszm. védelmi mód nem készülékvédelem, hanem komplett áramkörre, sőt rendszerre vonatkozik.
Alapvető előírások
Három dolgot kell nagyon megjegyezni annak, aki gyszm. rendszert kábelez, huzaloz:
1: Szeparálni!
Tilos a gyszm. és nem gyszm. áramköröket közös kábelben, vezetékkötegben vezetni, vagy közös sorkapocsra érkeztetni. Hiába felel meg egy gyszm. áramkör minden készüléke a szabványnak, ha a sorkapocsszekrény egy 20 cm-es szakaszán közös vezetékcsatornában halad egy gyszm. és egy közönséges áramkör. A biztonságos elválasztás itt nincs meg, az egész kör nem gyszm!
2: Jelölni, jelölni, jelölni!:
A gyszm. köröket feltűnő "Gyújtószikramentes kör eleme!" szövegű, világoskék táblákkal kell jelölni. A világoskék szín mindig a gyújtószikramentességre utaljon, legyen szó sorkapocsról, vezetékcsatornáról, kábelről. Ezt nem mindig tartják be, pedig hasznos lenne, hiszen elriasztaná a villanyszerelőt attól, hogy hibakeresés címén próbalámpájával erre a sorkapocsra is rávigye a fázist...

3: 500 V-os érszigetelés:
Gyszm. kör huzaljai, kábelerei minimum 500V-os érszigeteléssel kell hogy rendelkezzenek. Ez azt jelenti ugyebár, hogy egy gyszm. kábelér és a kábel árnyékolása/páncélja között az 500V-ot, két gyszm. áramkör között az 1000V-os vizsgálófeszültséget (két érszigetelés) tartósan el kell viselni!
Kábelkategóriák
Az MSZ EN 60079-11 négy kábelkategóriát ismer (A...D), ahol az "A" kategória a legbiztonságosabb. A kategóriák a következők:
"A" kategória: Olyan - legalább 500V érszigetelésű - kábel, melyben az egyes gyszm. áramköröket az érszigetelésen felül vezető anyagú árnyékolás is elválasztja, ami a felület legalább 60%-át fedi.
"B" kategória: Olyan - legalább 500V érszigetelésű - kábel, melyben nincs árnyékolás, viszont teljes hosszon a kábel mechanikai sérülés ellen védett (páncél, fém csatorna, védőcső), végein rögzített és közben sincs mozgó szakasz.
"C" kategória: Olyan - legalább 500V érszigetelésű - kábel, mely a fenti két csoportba nem fér bele.
"D" kategória: Ahol az 500V-os érszigetelés nincs a kábelgyártó által bizonylatolva. (Nincs meg a bizonylat...)
A kategóriák határozzák meg, milyen kábelvizsgálatokat kell elvégeznünk, a gyártóművi vizsgálatokon túlmenően. "A" kategóriás kábelnél a gyártóművi bizonylat elegendő, "B" kategóriánál ez már csak akkor igaz, ha a kábelben futó összes áramkör maximális feszültsége 60V alatt van.
"C" kategóriánál az esetleges gyártási hibákat csak akkor nem kell figyelembe venni, ha a kábelben azonos áramkörök futnak (pl. egy csomó 4...20 mA-es kör) és minden egyes kör biztonsági tényezője legalább négyszerese az ia ill ib osztályra előírtnak.
"D" kategóriában el kell végeznünk a kábelszabványok által előírt összes vizsgálatot. Ez célszerűen a következőket jelenti:
1: A kábel összes erét egy sorkapocsra kifejtjük és összekötjük. Az összes ér és az árnyékolás/páncél közé 500Vac-t kapcsolunk, és legalább 1 percig rajta tartjuk. Nem következhet be átütés.
2: A kábelereket egyesével a sorkapocsból kikötjük, a sorkapocs és a kikötött ér közé 1000Vac-t kapcsolunk. 1 percen belül nem következhet be átütés. Ezután az eret visszakötjük és sorra mindet megmérjük.
Fentiekből talán kitűnt, hogy a gyszm. védelmi mód az alacsony energiákkal dolgozó ipari méréstechnika, automatizálás számára nagyon használható módszer. Alkalmazása azonban komoly szabványismeretet követel, és könnyen hibázhat a laikus. Ne vegyük félvállról a gyszm. védelmet, nem csodaszer!

